Насос двухскоростной WP 200 2HP для гидромассажной ванны спа и джакузи. Большая скорость потока и отличная энергоэффективность. Насосы для джакузи серии LX относятся к 56 рамным. Поставляются в комплекте с 3- или 4-жильным простым кабелем. Разумеется, на них предоставляется 12-месячная гарантия с даты покупки. По факту эти помпы полностью взаимозаменяемы с некоторыми насосами Waterway и AquaFlo.

Двухскоростной насос LX Whirlpool WP200-II имеет низкую скорость для фильтрации и нагрева и высокую скорость для запуска массажных форсунок. Мы также продаем версии этого насоса WP250-II и WP300-II с двигателями разной мощности.

В комплект поставки насоса входят штуцеры для 2-дюймовой трубы (диаметр 60 мм). У нас имеется широкий ассортимент запасных частей для данного насоса.

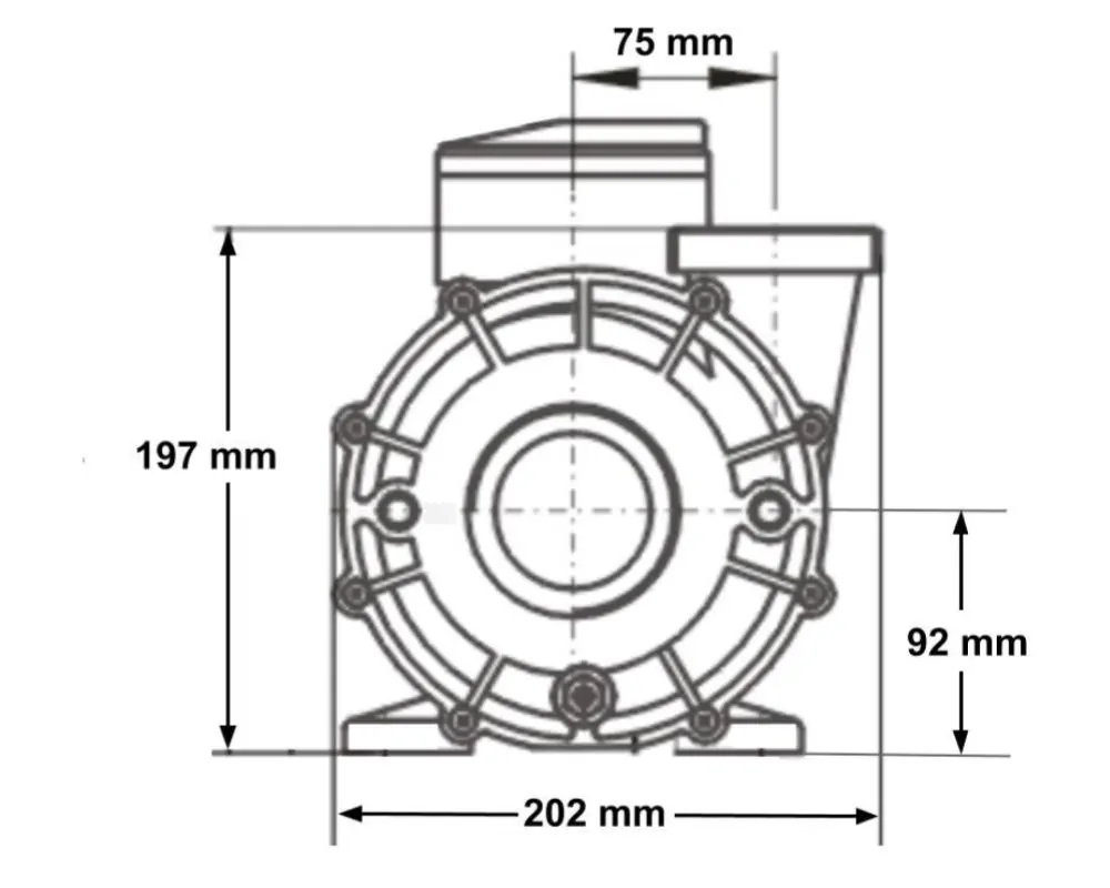
Размеры

  • Длина: 445 мм
  • Ширина: 202 мм
  • Высота: 235 мм

Технические характеристики

  • Мощность высокая скорость: 1,5 кВт (2,0 л.с.)
  • Мощность низкая скорость: 0,35 кВт
  • Максимальный расход: 620 литров/мин

Соединения Отток и впуск: наружная резьба, наружный диаметр 78 мм. Насос LX Whirlpool WP200-II поставляется в комплекте с штуцерами и прокладками для 2-дюймовых труб (диаметром 60 мм).

LX WP200-II заменяет помпы Theramax со следующими номерами деталей: 6500-291, 6500-299, 6500-319, 6500-700, 6500-791 и 6500-899.

Кабель и вилка Насос LX Whirlpool WP200-II поставляется с предварительно подключенным кабелем со вилкой AMP (длина 130 см). Вы также можете заказать предварительное подключение нашей командой кабеля со штекером AMP длиной 240 см, штекером Mini J&J или штекером in.link (длина 100 см).

Номера деталей

  • Watkins/HotSpring: 0965901-03. Заменяет 37066
  • Volition: 20PW
  • Wellis: ACM0594
  • Jazzi: JAPU10
  • Jacuzzi и Sundance Spas Theramax: заменяет номера насосов 6500-291, 6500-299, 6500-319, 6500-700, 6500-791 и 6500-899.

Пожалуйста, позвоните нам для консультации по телефону 8 800 250 67 00 .

Мы также предлагаем насосы JACUZZI и SUNDANCE SPAS

Насос двухскоростной WP 200 2HP

52 000 

Артикул
200 2HP
Категория
Запчасти, Насосы

Заполните форму

Чтобы заказать товар заполните эту форму, или свяжитесь с нами  по WhatsApp или по телефону